外壁の石工事 乾式工法 かんしきこうほう: ものづくりの心 墓石と建築石材「泉石材株式会社」。
石材の施工方法。
2-02-1~13 壁:仕上げ 石材・コンクリート打放し・モルタル・吸音材平成28年版 建築工事標準詳細図。
施工方法石のご紹介事業内容総合石材業 関ヶ原石材株式会社。
外装仕上材 乾式工法ツヅキイプロス。
新外壁用薄型タイル+ALレール工法「Les Murs レミュール 」ツヅキ 3662 :: 建材トレンド。
ˏˋ 「 メースハイブリッド工法」ˎˊ˗ 乾式石張工法に対応し、メースに石張り仕上げが可能な工法です。オンリー烏丸ビルパネル:フラットパネル設 計:一級建築士事務所 株式会社 東洋設計事務所 仕 様:メースハイブリッド工法押出成形セメント板ECP外壁。
施工事例 石張り北海道札幌の石材施工・販売 昭和石材工業株式会社。
株式会社 建水プロテクト乾式石貼り工法の雨仕舞。
タイルシリーズ:外壁材株式会社FUJIジャパン。
乾式タイル取り扱い商品一覧株式会社LIXILリニューアル。
高級感あふれる石張り外壁のメリットとデメリット福岡県筑紫野市と太宰府市の辻塗装店。
全国建築石材工業会。
外壁の石張り 乾式工法 について - 教えて!住まいの先生 - Yahoo!不動産。
外壁の石工事 乾式工法 かんしきこうほう: ものづくりの心 墓石と建築石材「泉石材株式会社」。
石の外壁-fevecasa フェブカーサ。
石張り施工方法 - 石と共に生きる 株式会社石森 大阪の建築石材・墓石。
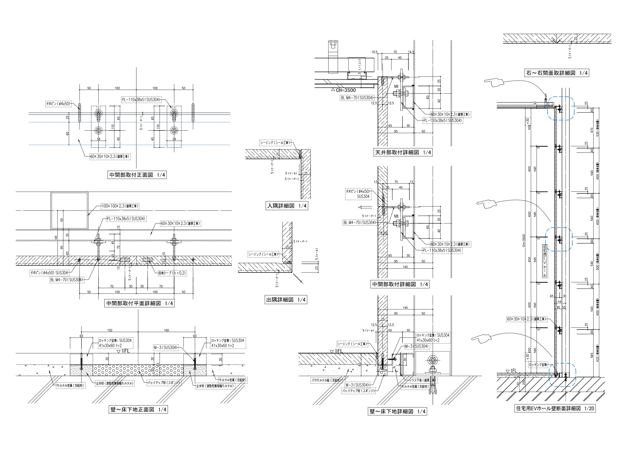
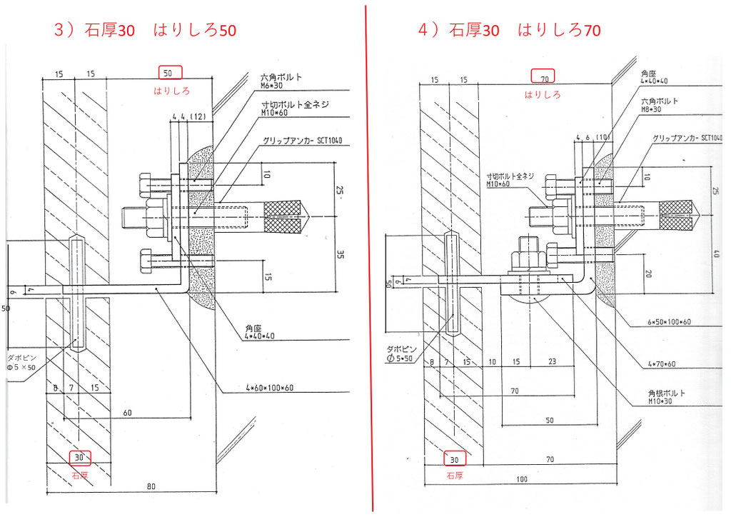
金物 石材 乾式工法。
お勧め施工方法│有限会社山南石材店。
ConComコンテンツ 現場監理の達人集合住宅編 第16回 石工事。
乾式ひっかけ工法用ブリックタイル 縦張り用 200×60角RCA-T25914847RCAタイルライフアウトレットタイル販売 通販 サイト。
タイルの工法│住まいの参考書注文住宅 新築戸建て のお悩み解決。
乾式引っ掛け工法 木造 施工説明書 ニッタイ工業株式会社。
鉄筋コンクリート造の場合の乾式工法による外壁の張り石工事SKK 施工管理研究室。
石工事施工例3 石材建築 大理石 御影石工事 - 石と共に生きる 株式会社石森 大阪の建築石材・墓石。
お勧め施工方法│有限会社山南石材店。
施工事例 石張り北海道札幌の石材施工・販売 昭和石材工業株式会社。
高級感のあるインテリアに!石張り仕上げの壁の施工方法フトコロ・タイムズ。
石張り施工方法 - 石と共に生きる 株式会社石森 大阪の建築石材・墓石。
金物 石材 乾式工法。
石張り施工方法 - 石と共に生きる 株式会社石森 大阪の建築石材・墓石。
外壁全国建築石材工業会。
石材の施工方法。
石張り施工方法 - 石と共に生きる 株式会社石森 大阪の建築石材・墓石。
壁仕上げ②の納まりをカラー図説!石材・RC・塗装・ガラスクロス編!初心者向けコンテンツ! » アーキクエスト ARCHIQUEST。
ドローン外壁調査建物外壁診断調査の専門会社 株式会社 日本赤外線調査。
石張り施工方法 - 石と共に生きる 株式会社石森 大阪の建築石材・墓石。
石材の施工方法。
外壁乾式タイル事例リノベーション株式会社。
石張り施工方法 - 石と共に生きる 株式会社石森 大阪の建築石材・墓石。
石材 外壁湿式工法_石厚40未満。
外壁工事の新時代 アド・レールハル工法アドヴァングループ。
外壁・屋根の施工工事松原工業。
外壁の石工事 乾式工法 かんしきこうほう: ものづくりの心 墓石と建築石材「泉石材株式会社」。
石工事。
湿式工法と乾式工法とは?外壁工法の特性をプロが解説! - 大和市で外壁・屋根の塗装、リフォームなら株式会社SKホームやまと。
全国建築石材工業会。
結合乾式工法用金具建築石材ライブラリ。
外壁タイルの工法乾式工法と湿式工法の違いとは?タイリスト 公式 クレバリーホーム。
乾式工法の壁で、自由なデザイン表現が可能になりましたおしゃれな外構・エクステリアと庭は受賞多数の外構工事店へ。
石材の施工方法。
湿式工法と乾式工法とは?外壁工法の特性をプロが解説! - 大和市で外壁・屋根の塗装、リフォームなら株式会社SKホームやまと。
施工事例 石張り北海道札幌の石材施工・販売 昭和石材工業株式会社。
レミュール株式会社ツヅキ。
ヒロ結合工法 乾式外断熱工法 カタログ 株式会社ヒロ コーポレーションけんせつPlaza。
タイルシリーズ:外壁材株式会社FUJIジャパン。
湿式工法と乾式工法の違い?断熱材の使用方法。
石材取付工法 - 3D AUTOCAD 高見石材施工図 石工事。
エクステリア・外構外壁用張り石・貼り石 – AJI rock jp。